
- 聯系人:聞 海
- 手機:198 2595 0789
- 電話:0515-82533666
- 地址:江蘇省鹽城市射陽縣通洋工業集中區
綠寶石主編、福萬家參編的《石墨改性水泥基保溫板(碳硅板)外墻內保溫系統建筑構造》標準現已發布實施!
行業標準的制定工作,是行業發展中的探索和創新,是市場發展的需要,對行業的發展具有非常重要的指導促進作用。
2021年3月2日,由上海市建設協會提交的《石墨改性水泥基保溫板(碳硅板)外墻內保溫系統建筑構造》,編號為T/SCDA061-2021,經審查正式批準發布,并于2021年3月3日起正式執行,有效期3年。

綠寶石和福萬家分別作為標準的主編單位和參編單位積極利用自身的行業經驗和技術優勢,全程參與了標準的編制工作。



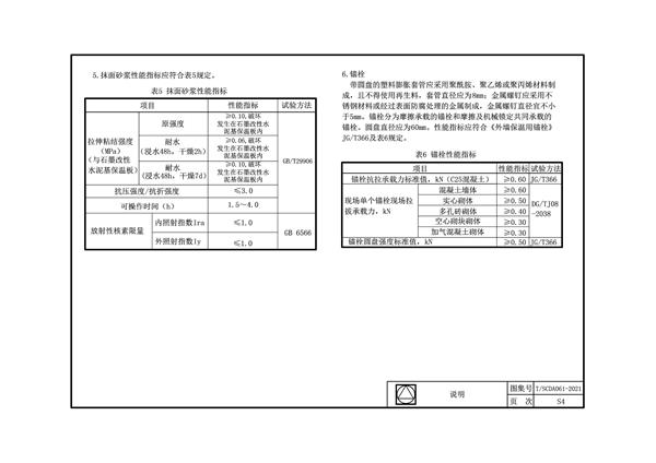
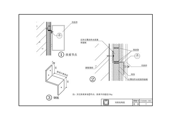
石墨改性水泥基保溫板(“碳硅板”)是以水泥為主要膠凝材料,成孔材料、纖維增強材料、外加劑、水等為主要材料,經攪拌、澆筑成型、養護、切割、表面處理等工藝制成,外觀呈黑色的輕質保溫板材。
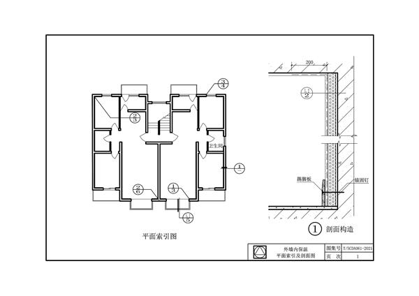
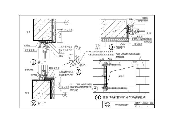
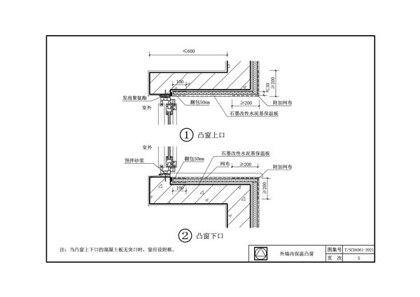
石墨改性水泥基保溫板(碳硅板)外墻內保溫系統建筑構造(簡稱“內保溫系統”)是以石墨改性水泥基保溫板(碳硅板)為保溫層材料,由粘結層(膠粘劑)、保溫層、抹面層(抹面砂漿+耐堿涂覆網布)、錨栓組成,固定在外墻內側的保溫構造。




















作為建筑外墻保溫產業中的優質企業,福萬家和綠寶石堅持自主創新的發展模式,積極探索。多年的行業深耕使福萬家和綠寶石擁有雄厚的技術實力和豐富的實際生產經驗,在本次標準的編制工作中,福萬家和綠寶石依據行業發展現狀,結合企業項目經驗與核心技術,為新標準的編制獻計獻策。
未來,福萬家和綠寶石將繼續在專業的領域上執著堅守,持續技術創新和新品研發,積極參加相關標準的制修訂工作,為推動建筑外墻保溫產品行業規范化發展貢獻更大的力量。
《石墨改性水泥基保溫板(碳硅板)外墻內保溫系統建筑構造》標準的發布是行業經驗和思想匯聚的一次結晶,為行業更好的發展提供了標準和依據,有效的促進優質高質項目的產出,促進了行業良性健康的發展。











